Opis
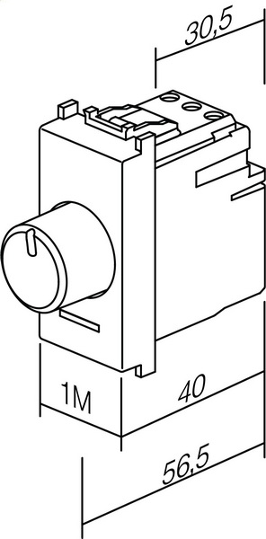
Regulator rasvjete izmjenični modularni za ugradnju na nosače TEM MODUL
Proizvođač: TEM
Tip: MODUL
Kataloški broj: EM14AT-U
Broj modula: 1
Boja: antracit
Nazivni napon Un [V]: 230 V
Nazivna frekvencija [Hz]: 50 Hz
Opterećenje: LED 0 – 180 W (maks. 20 LED svjetiljki s regulacijom osvjetljenja), GLS 0 – 180 W
Napomene:
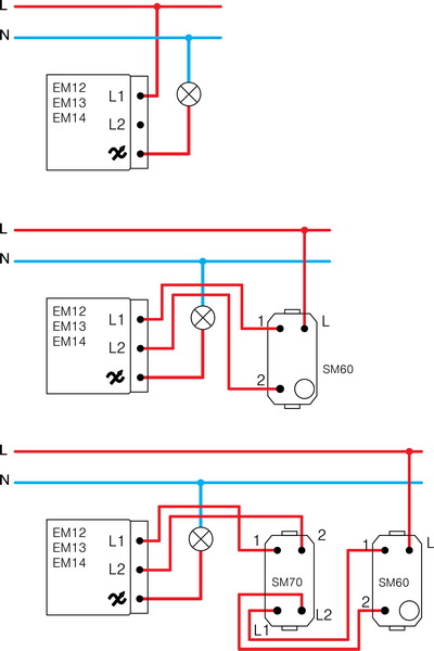
– rotacijski regulator s izmjeničnom sklopkom
– moguća je kombinacija s izmjeničnom sklopkom
– zajedničko montiranje više uređaja u jednu kutiju dopušteno je isključivo pod uvjetom da njihovo ukupno maksimalno opterećenje ne premašuje maksimalnu snagu jedne sklopke za zatamnjenje
– dopušteno je korištenje samo jedne sklopke za zatamnjenje po strujnom krugu
– osigurač nije montiran, potrebno je upotrijebiti vanjski osigurač
Montaža: ugradna
Standard: IEC60669-2-1
Prihvat vodiča: vijčani priključak (1,5 – 2,5 mm²)
Pakiranje: 1/12 kom






