Opis
Regulator rasvjete DC LED 96W za ugradnju u kutiju
Proizvođač: TEM
Tip: MODUL
Kataloški broj: EM19-B
Nazivni napon Un [V]: 9-48 DC
Opterećenje: LED 96 W
Napomene:
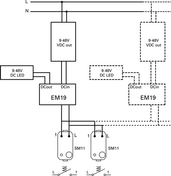
– ugradni LED regulator (dimmer-zatamnjivač) za povezivanje s jednim ili više tipkala i regulatora
– povezivanje sa svim jedinicama napajanja LED rasvjete koje imaju stalni naponon
– pogodan za “trailing” i “leading edge” tehnologiju regulacije
– ugrađena memorijska funkcija
– funkcija mekog uključivanja/isključivanja
– postavljanje minimalnog osvjetljenja
– montaža samo jednog uređaja u jednu kutiju
– ako se više regulatora priključi u jednu kutiju, za svaki se dodatni regulator smanjuje maksimalna ukupna snaga za 10%
– nije namijenjen uporabi s induktivnim opterećenjem
– samo za unutarnju uporabu
Montaža: ugradna
Pakiranje: 1/50 kom






